方型丝堵 六角丝堵 圆形丝堵 六角补芯
Square head plug Hex head plug Round head plug Hex head bushing

  名称 NAME:螺纹丝度 THREADED PLUGS
 材质 MATERIAL:A105.A420-WPL6.A234-WP5,A234-WP9,A234-WP11,A234-WP12,A234-WP91.A403-WP304.A403-WP304L.A403-WP316.A403-WP316L,A694-F42,A694-46,A694-F48,A694-F50,A694-F52,A694-F56,A694-F60,A694-F70,A694-F80
 尺寸 SIZE:1/8"-3",DN6-DN80
 PRESSURE:3000LB,Sch80
 STANDARDS: ISO, ANSI. JIS . DIN GB/T14383,GB/T14626,ASME B16.11,
 SH3409,HGJ10,HGJ529,MSS SP-43,MSS SP-83,MSS SP-97
 USE: Petroleum, chemical, power, gas, metallurgy, shipbuilding, etc. 


Nominal Pipe
Size DN

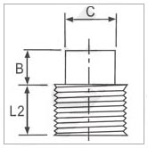
Length of Thread

Square Head Plug

Round Head Plug

Hex Head Plug

Height of Square

Width Of Flats

Diameter of Round Head

End to End

Width Of Flats

Hex Heigth
A
B(in)
L2min
Bmin
Cmin
D
Lmin
S
Kmin
Hmin
6 1/8 9.5 6 7.0 10 35 11.0 - 6
8 1/4 11.0 6 9.5 13 41 16.0 3 6
10 3/8 12.5 8 11.0 17 41 17.5 4 8
15
1/2
14.5
10
14.5
21
44
22.0
5
8
20 3/4 16.0 11 16.0 27 44 27.0 6 10
25 1 19.0 13 20.5 33 51 35.0 6 10
32 11/4 20.5 14 24.5 43 51 44.5 7 14
40 11/2 20.5 16 28.5 48 51 51.0 8 16
50 2 22.0 17 33.5 60 64 63.5 9 17
65 21/2 27.0 19 38.0 73 70 76.0 10 19
80 3 28.5 21 43.0 89 70 89.0 10 21
100 4 32.0 25 63.5 114 76 117.5 13 25